肖战腹肌好明显这是我可以免费看的嘛

相关图片

微博之夜男星也内卷肖战穿稀有高定王一博似奔丧龚俊戴220万珠宝

肖战肌肉哥你也露个腹肌

原创被肖战的腰惊呆了,贵圈男腰精们还让不让人活了!

被肖战的腹肌惊艳了,细腰让无数女生羡慕不已,赶紧健身吧

新剧无热度马天宇被迫营业晒腹肌杨紫正于肖战甜蜜没时间宣传

随机推荐

时光将岁月阻隔,能留下的都是最爱 古风女生头像

张卫健x张空空最帅孙悟空天降我在天地之间变幻出神话在风中流传

官宣丨高姿全球品牌代言人防晒系列成毅

漂亮的女军官

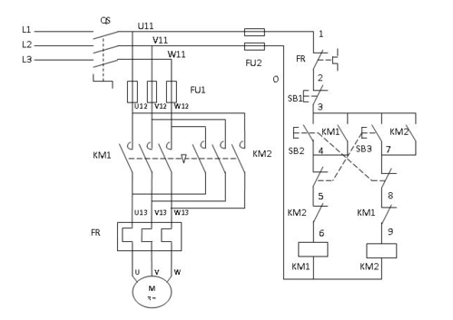
三相异步电动机正反转控制原理图

衡水二中复课,师生同考一张试卷,老师表示紧张,其实没必要紧张

法国镁琦 monte varchi 太阳眼镜 mvs1984 c2 亮浅金 深蓝片

天津市