电动车充电器的电路图免费下载

相关图片

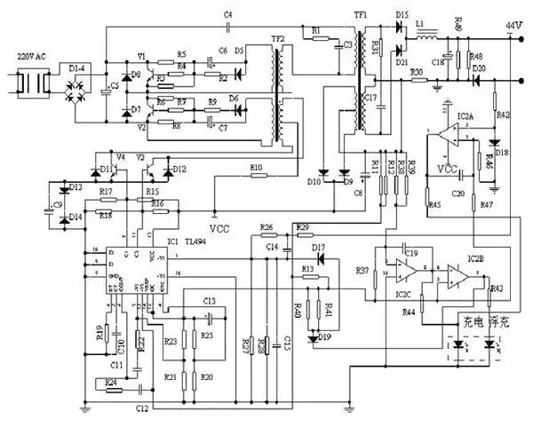
纸上谈兵之手抄72v电瓶车充电器电路

一文把30张电动车充电器电路图工作原理了解的明明白白

电动车充电器电路图全集

收集电动车充电器电路图30张,以备不时之需

收集电动车充电器电路图30张,以备不时之需

随机推荐

知道迪丽热巴在笑什么了##粉丝给迪丽热巴做土味应援海报#知道@daar

胡歌《神话》【易小川/蒙毅】一段跨越千年的爱情,一个男人的成长

【园游会 倒影】园游会倒影【mushup】【周杰伦 周杰伦】【梦幻联动】

女军长魂穿云族孤女:大婚当日,她赤身染血,被破席裹着扔在乱葬岗

太单调了可以像我这种来点亮片勾勒#美甲#短甲美甲 #黑色美甲 #春

会作词作曲反而让自己的组合一路flop?女团制作人的负面效应

亚刻奥特曼线下活动皮套变动角度提高颜值背鳍的设计很带感

动手动脑学科学:幼儿科学小实验集