3c3 ex 山特ups电源接线图

相关图片

美国山特ups双电源输入电池中间有个n是接哪里

山特ups不间断电源-山特ups电源批发

ups安装接线图解

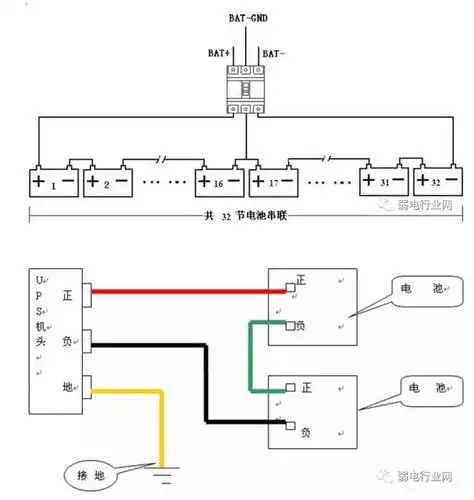
ups不间断电源接线图

接线图 apcups电源 [ 更新日期:2020-01-09 ] 山特ups电源常见电池

随机推荐

刘恺威 刘恺威跨界歌王 本周是随性儒雅的黑白配,用温柔的眼神和暖

闺蜜八人头像 #闺蜜动漫头像 #动漫头像 - 抖音

个性文字控励志桌面壁纸高清大图预览1920x1080_设计创意下载_美桌网

动漫甜蜜情头高清好看的甜蜜的情头动漫图片

男士发型 粗硬细软乱中有型男士烫发韩系男生烫发韩系风格发屯

二字书法 田学智书法《舍得》

一个穿着黑色斗篷,戴着帽子的骷髅化妆的女人的肖像,万圣节的节日形象

回顾健将张雨霏杭州亚运会勇夺6金4岁丧父母爱托起辉煌人生