cn2084451u_步进电机螺杆粉针剂分装机失效

相关图片

螺杆机培训资料

单螺杆挤出机结构及主要零部件

前机筒(射咀法兰) 4. 料筒 5. 螺杆头 6. 止逆环 7. 推力环 8. 螺杆

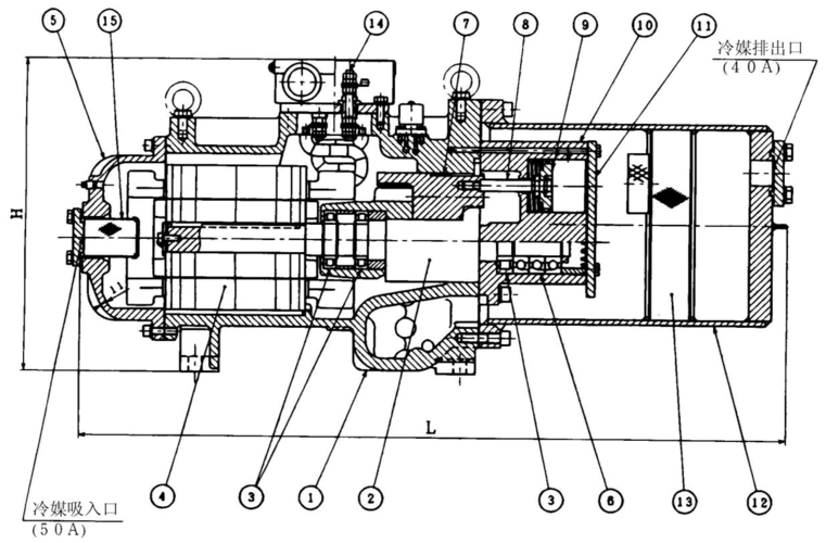
螺杆式空压机结构ppt

一种强化针叶樱桃维生素螺杆式分装机

随机推荐

原来沈腾年轻的时候还挺好看的 - 抖音

易烊千玺先咔嚓一组宝丽来##易烊千玺拍立得照##易烊千玺辛爽 同

刘亦菲白玉兰造型#@刘亦菲受邀出席第29届#上海电视节#白玉兰颁奖

励志语录文字桌面壁纸(一)高清大图预览1920x1200_卡通动漫下载_美桌

瑜洲再也不磕cp了再见瑜洲再见许魏洲

塔罗"0号愚人牌"在感情与事业中的解读

双11活动dior迪奥烈艳蓝金唇膏口红丝绒999720772228

性感女神妲己toxic香艳写真