水泵控制原理图

相关图片

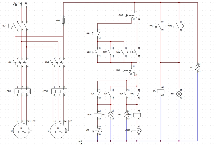
排污泵一备一用电路图

电气设计 自动化 消防 排水泵一用一备 电路图

替污泵排水一备一用,自动轮换

热水循环泵一用一备电路图

17,污水泵一备一用手动和自动控制电路(电路图,实物仿真图)

随机推荐

王俊凯甜甜笑容动图合集 虎牙少年甜度满分

【图】《美丽的神话》胡歌白冰演唱 英雄美人上演千年之恋

重温《琅琊榜》才知:林殊死后让宫羽给霓凰送信,背后另有隐情

星空公主系列 十二星座公主合集 之前画的一套十二星座梦幻星空 可爱

【转载】美女死刑犯枪决过程大全(震撼组图)转

西班牙av水性笔涂漆色卡参考表

转生史莱姆萌王习得见闻色霸气力压坂口日向

可以看到在毕业照上,丁程鑫是素颜状态,虽然只是一个小小的证件照