前两天李恩童还给王源带冻梨去wbzy送礼物呢?

相关图片

王源李恩童被传恋爱,诸多细节被扒,1分钟细数王源昔日绯闻女友

王源|陈伟霆|刘昊然|蔡徐坤|范丞丞_网易订阅

演技与流量,似乎在刘亦菲身上达成和解

王源被问谁最适合当女友立马说出两个字粉丝刚哥恋爱了

王源微博公布恋情女朋友是欧阳娜娜?欧阳娜娜家世为什么那么有钱

随机推荐

08【王俊凯-正缘类型】"一定要见你"

长相和身高不符,鞠婧祎不足160,王俊凯竟然182,黄圣依其实不高_感觉

蓝天白云唯美风景图片桌面壁纸

邪教及阴谋琼斯镇惨案幸存者揭秘历史真相

徐佳莹《不舍》简谱 《不舍》……《斗罗大陆》片尾曲 演唱:拉拉

雷佳音:我赌马老师|靳东|袁泉|马伊琍|家庭剧|我的前半生|实力派演员

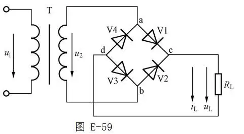
[问答题,简答题] 绘图题:画出单相桥式整流电路图.

橡胶靴图标轮廓风格