王俊凯头像

相关图片

超帅王俊凯qq头像_阳光帅气的少年

王俊凯身体部位头像

王俊凯头像

王俊凯头像

王俊凯头像

随机推荐

2005年,文章和马伊琍首次合作电视剧《锦衣卫》,两人因此相识并成为

陈情令 王一博 肖战

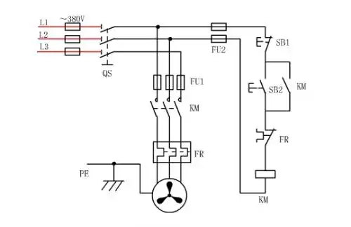
自锁控制电路图

有一种"p图"叫蔡徐坤的粉丝,p起图来毫不吝啬,离他远点!

杨幂玉足大白腿写真,她的百变风格让她成为了时尚界的宠儿 –第 9 页

伤感流泪男头图片 在夜里哭得撕心裂肺的男孩哭完记得成熟_男生头像

简介:邓英成熟优雅时尚写真图片,分享一组邓英图片给大家,图中的明星

一粒麦子的呼召 官方简谱一粒麦子 官方原版 一粒麦子 官方原版简谱