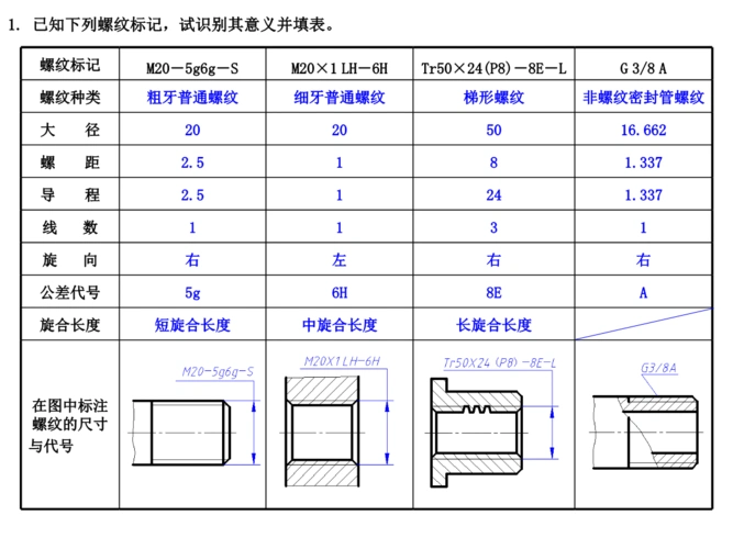
螺纹的标注方法

相关图片

螺纹的规定画法标注实例

螺纹的标注方法

中所示m20粗牙普通外螺纹的错处圈出,将正确的画在下面(包括尺寸标注)

螺纹的表示方法和标注

螺纹画法及螺纹标注含义! 加工螺纹,右旋左旋要分清! #螺纹 - 抖音

随机推荐

一组二次元黑白高冷女头像

lisa在个人社交网站晒出一组美照,照片中lisa一改往日黑长直的发型,剪

金庸电视剧大全(给"最好的10部金庸剧"排名:胡军版天龙八部第9)-第35

儿童手抄报卡通儿童类人物简笔画图片精选简笔画画法图片大全集合小

《少年三国志》5月20日新阶翅膀首曝

几十灰色瑜伽裤yyds

柯南简笔画(24) #简笔画教程# #简笔画# #画个简笔画# #柯南# #寻找

超帅的男生三七分发型7878颜值爆表 你可以不穿名牌,但一定要剪