mcintosh 麦景图c11电子管前级维修电路图

相关图片

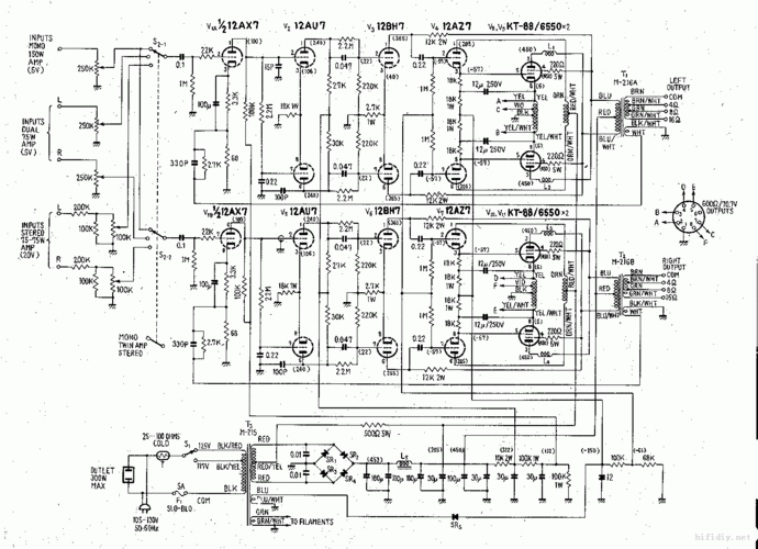
275电路图.gif

发个麦景图 mc 275 电路图

电子管麦景图mc275mcintosh275功率放大器电路图

麦景图

麦景图c22电子管前级放大器电原理图.jpg

随机推荐

动漫二次元图片高清桌面电脑壁纸

动漫女孩q版简笔画卡通人物简笔画自动铅笔手绘动漫少女简笔画少女简

12张圆明园复原图十分壮观却被列强一把火烧光令人心痛

团头闺蜜头像

复古时尚新娘造型

简笔画头像 | 幸福的一家四口 客稿勿用! 暖春樱花季

赵孟頫赵体习字帖学赵体必备

妇产科医生总结生娃前男女都应该知道的事