第129期严浩翔高清头像分享

相关图片

严浩翔头像

严浩翔生日快乐

严浩翔头像

严浩翔严浩翔头像贴纸头像时代少年团原截藏在白云里赞评论更多

严浩翔17岁生日

随机推荐

从我做起,从戴口罩做起——滨城育英学园小一班

帅哥头像冷酷帅气男生动漫超酷男生个性动漫微信图片大全

为什么女人伤心难过的时候特别容易流泪泛滥女人为什么会伤心难过

附最后#ipad画画 #狄大萌团练课 #少女头像 #少女线稿 #古风头

大码女孩贾玲招人喜欢了,不仅笑出"酒窝脸",还有"多肉曲线"

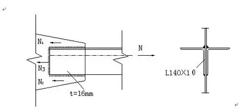
节点板厚16mm,构件承受静力荷载,产生的轴心拉力n=1000kn,用三面围焊

酷帅嘻哈脏辫发型 打造潮流摇滚范_时尚男发 - 美发站

乳液到底该如何选?涂抹的正确方法