李易峰4k超清全面屏手机壁纸

相关图片

李易峰4k超清全面屏手机壁纸

行走的荷尔蒙来啦32岁李易峰穿2万1西装现身快本a爆了

李易峰4k超清全面屏手机壁纸

李易峰成熟魅力写真图片桌面壁纸

李易峰高清帅气写真图片桌面壁纸

随机推荐

演员吕中:23岁嫁同学,今儿子儿媳是她的骄傲,女儿是国人的骄傲

刘耀文手写文字

苹果iphone66p6splus7代8p全套铁片零件配件手机零部件

刚治好,又疯了(摇头 gif 动图)_gif_刚治_动图_摇头表情

【hal-男模】巴西90后帅模 arthur sales_看图_halsparks吧_百度贴吧

红色高跟鞋女秋2017新款尖头

最高人民法院北京本部

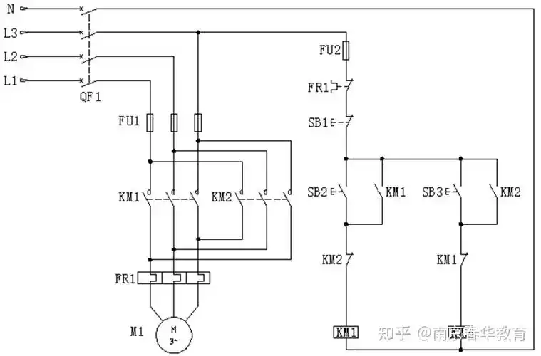
所谓互锁电路是指控制电路中两个或两个以上控制回路之间的相互制约.