新品无刷驱动器zm-6505(jh)-中国步进电机网

相关图片

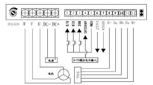
格瓦直流无刷电机接线方法

无刷电机接线图:电气性能:说 明 书:点击下载闭环直流无刷电机,型号

bl-1250hs无刷直流电机驱动器-无刷驱动器

直流无刷电机接线图说明

高速旋转直流无刷电机100w在树脂件加工设备中的应用(lp)

随机推荐

男演员颜值扛把子之一了,其实他不管戴不戴眼镜都帅气但是谁会嫌弃

男星白发造型谁最帅气?薛之谦第九,范丞丞第三,第一是谁?

我喜欢的男艺人杜淳 个人美照收藏版

汕头最美证件照霸气登场方寸之间也要做最美的自己

凯源# - 堆糖,美图壁纸兴趣社区

伙伴们都惊呆了 4500万纯金兰博基尼车模

《经典译林:悲惨世界(上下册)》 [法国]雨果, 潘丽珍 书评 简介 电子

某某周边盛望江添木苏里周边吧唧徽章立牌挂件2个徽章58mm星幻膜金属