对于通信行业应用较成熟,但是hvdc系统的配电器件,例如空气开关

相关图片

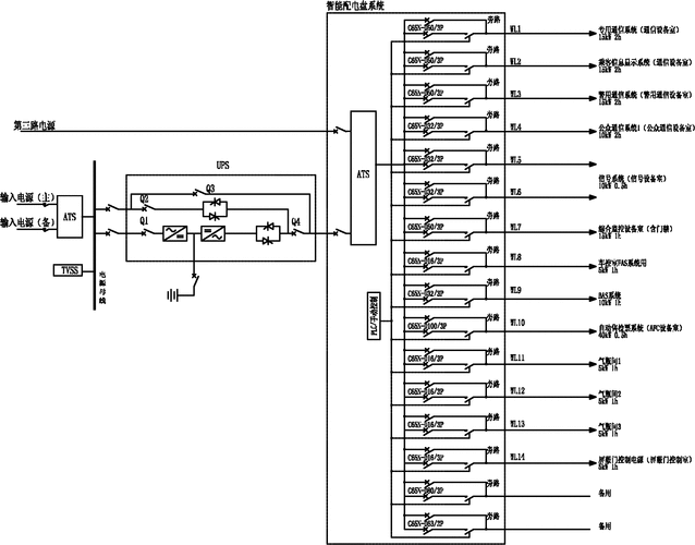
这个ups电路系统图设计的合适吗

ups配电系统图

ups配电系统图

你好,这位是ups,土名:不间断电源.

cn102118058a_应用于城市轨道交通的弱电综合ups电源系统及供电方法

随机推荐

宋亚轩绿色挑染卷发造型##宋亚轩绿色挑染发型

一组唯美的治愈系动态图分享给你,唯美意境动图也是一种情怀

飞鹰户外成员简介

没出道之前,杨超越长啥样,看完照片,好多人都酸了!

辛巴昨天在老婆直播间暴怒:表示这些无良商家在坑我粉丝:我辛有志绝不

曾黎2023年05月08日 精美图集_表演_角色_外貌

应采儿爱情:要给孙耀威生孩子,还差点嫁给向佐,最后成为山鸡嫂

李亚鹏被执行4.52亿,不满妻子直播人气比他高,二胎孩子还有缺陷