普及一下电动车装电瓶接线方式,48v/60 - 抖音

相关图片

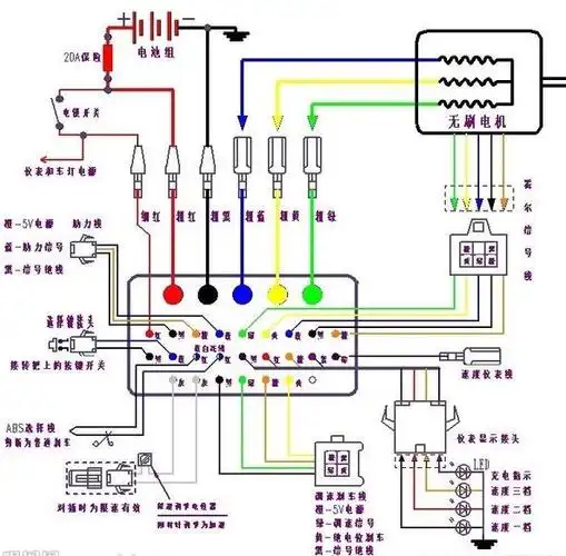
电动车电瓶连接线图是怎样的?

接电瓶正确接法图解这样电瓶的外壳盖子就打开了

电池连接线_扭扭车 平衡车电池连接线_接线图分享

德姆达工频逆变器48v系列蓄电池接线示意图

电瓶这样连接行吗 有什么缺点 并联两个3a的电池是6a 而一个大电池的

随机推荐

王俊凯百花奖后台拍摄,在高清怼脸拍镜头下,脸部状态过于真实

陈都灵这古装也太美了,无论是一袭绿衣头戴斗笠,手提灯笼,还是一袭

孙菲菲登陆《时尚芭莎》中国版五月刊封面_行业内参_资讯_模特中国

欧美风格的寸头大表哥

彼岸花开开彼岸,忘川河畔亦忘川,奈何桥头空奈何,三生石上写三生.

【卡拉ok】胡夏/郁可唯《知否知否》经典咏流传现场版

您知道"九品香水莲花"吗?

大海航行的帆船精选桌面壁纸高清大图预览1920x1200_风景壁纸下载_美