三个铵钮控制的三相电机正反转点动长动

相关图片

关于三相交流电一些问题

双功能三相电阻加热炉控制电路

三相交流异步电动机控制电路的识图与安装

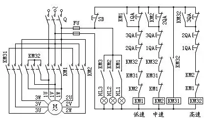
三速电动机电气控制原理图

三相异步电动机正反转控制电路

随机推荐

网红情侣头像 一左一右 真人

2024华晨宇火星演唱会

韩国黑帮题材电影这样的赵寅成你还敢爱吗卑劣的街头

在我看来,左小青是一位美丽的女演员.

2021年绝世精美创意菜

默默进步的国产巡航车试驾国四奔达box400abs版

picric acid_中文名_是什么药_cas号_化学结构式 - 药智数据

法医讲得最恐怖的经历法医有什么真实吓人经历和灵异事件