sg6841电源电路的修理技巧

相关图片

t68型卧式镗床电气原理图电路3

无忧文档 所有分类 工程科技 电子/电路 cr6853控制的反激式开关电源

t68镗床电气控制线路

关于开关电源中tl431hepc817奇怪的电路

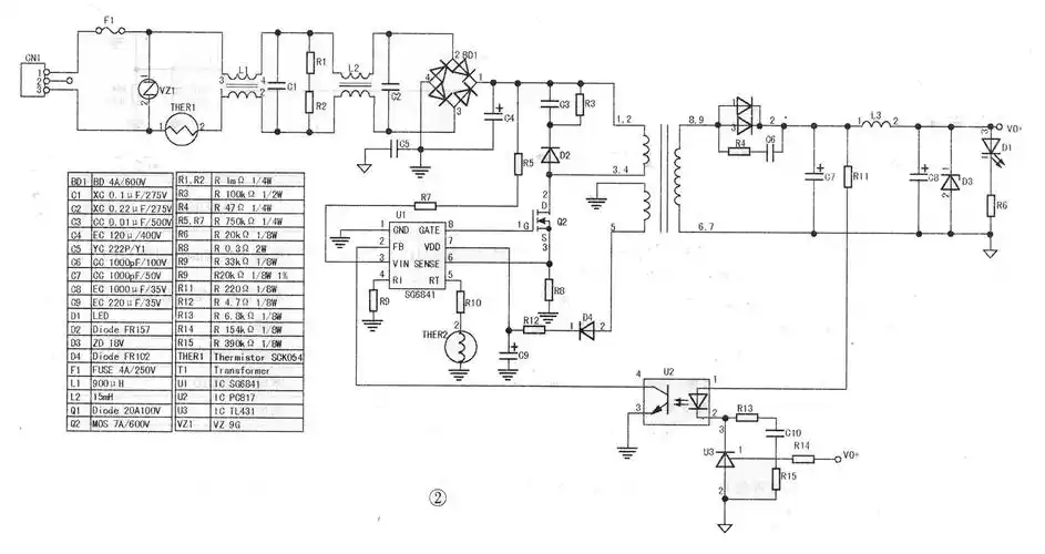
图2 sg6841d典型应用电路图

随机推荐

杨洋王楚然这对情侣疑似分手?

关晓彤

单页八十年代中国电影明星《龚雪》76*37cm_挂历/台历_楠楠书屋【7788

歌手张也:55岁未婚未育,和"男闺蜜"吕继宏神仙友情让人羡慕!

药糠秕孢子菌毛囊炎能治好吗脸上糠秕孢子菌毛囊炎是什么原因引起的

9000个世界各地电视台台标

旧鞋收藏女士一带旧布鞋黑色绒面千层手纳底24厘米38码

大众全新caddy海外售价曝光,提供1.5tsi发动机