电工考证电路图

相关图片

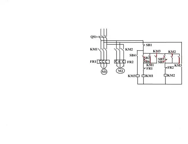
中国工控 |电工实操考核中,最经典的7张电路图(高清收藏版)

电路图mp3电路图

画出电路图

求:电工电路图

电路图

随机推荐

美貌的红卫衣小俊,可可爱爱的小卷毛是我永远的心头痣@tfboys-王俊凯

【4k壁纸】天空篇 自用高清电脑壁纸 无水印 想要壁纸的点赞77

胡歌在青年演员里算是演技比较好的,一直以拍高质量的电视剧为主,像

肖战听到杨紫的名字,脸上露出甜蜜的笑容,这是余生夫妇的暗号吗

女生短发拉直发型图片格外亮眼有气场的短发打造

袁世凯像大胡子壹元开国纪念试铸样币

女生小清新头像侧脸动漫 动漫头像图片大全 -【爱个性】

小区绿化景观