奥斯48v电动车充电器故障检修

相关图片

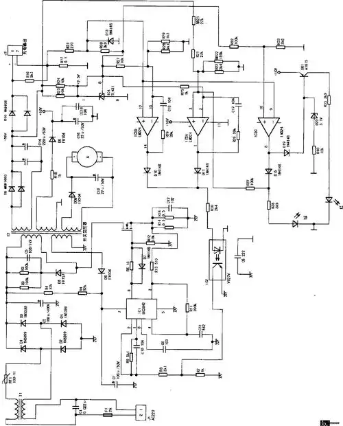
一个开关电源加上一个检测电路,目前很多电动车的 48v 充电器都是采用

48v电动车充电高清电路图与原理详解

48v电动车充电器电路图

求电动车充电器《jj-dc48v-2》电路图和维修方法

收集电动车充电器电路图30张,以备不时之需

随机推荐

拆弹专家2票房奔10亿热度不减大场面还是在影院看过瘾

容祖儿登上春晚舞台红色大衣穿出别样美丽耳环好精致显年轻

周深#周深 帅气可爱的深深啊 8861

又一男星承认出轨!对方要分手他还死缠烂打,逼小三找原配求帮忙

对比时隔了二十五年的胜利队特利迦真的不是在致敬迪迦

吉林省吉林市朱雀山国家森林公园

秦霄贤签名照 #秦霄贤白月光 #德云社秦霄贤 #向全世界安 - 抖音

和徐佳莹对唱的版也特好听 @金志文-gt : 新歌《远走高飞》 在酷狗