ups接线图与维修说明

相关图片

不间断电源ups的选择

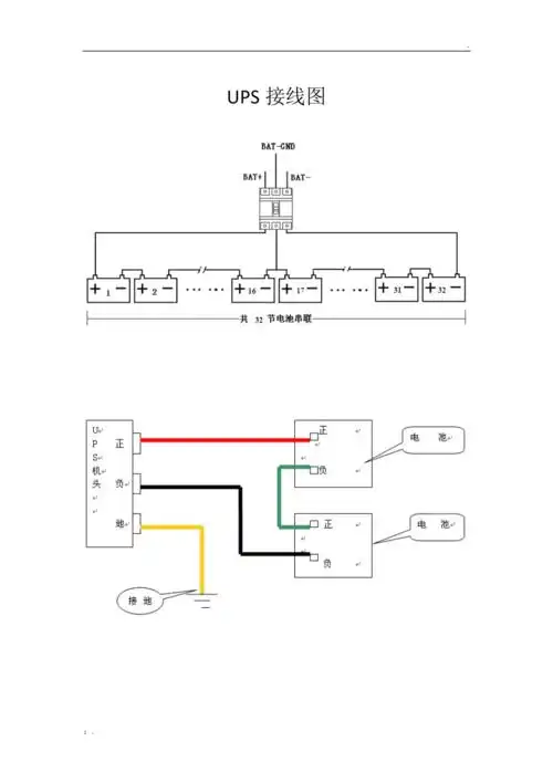
ups电源接线示意图

ups电源ups电池安装维护ups维修保养不间断电源价格

ups电源电池接线示意图 !

详解ups不间断电源电源技术

随机推荐

高清超酷的帅气微丧男生真人头像图片

女星景甜写真:甜美可人,端庄优雅

想知道自己是哪种脸型吗,这篇测试告诉你(附发型搭配)

【热血高校1】泷谷源治 | 小栗旬

很喜欢短碎发发型,不知现在还流行吗?会不会老气?_短发_时尚_造型

拯救女兵司徒慧(6dvd)

从身体姿势入手,快速提升游泳省力技巧

唯美意境古风女生头像山有木兮木有枝心悦君兮君不知