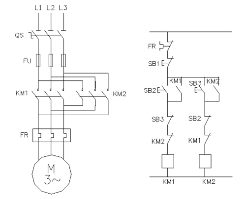
plc编程第一讲长动控制 三相异步电动机全压启停控制的 电气原理图

相关图片

28例电气自动控制电路图都是干货快收藏吧

54种电动机电气控制电路接线图

设计安装一台锅炉来煤系统的电气控制电路

34个电气控制接线图,电子元件工作原理图!

电机启动控制电气接线图 两相电机接线图-图片大观-奇异网

随机推荐

易烊千玺 2021 1128 生日快乐 平平安安 健健康康 - 抖音

阴郁孤独的黑白照片

14款高人气男发,流行又帅气,年轻男士的最爱|发型|刘海|时尚|男士发型

那些你很冒险的梦钢琴谱-林俊杰1

严宽45岁发福,衣着简朴!女儿惊讶不已.

八宅九宫图方位图解(最完整的八宅风水)-风水人

蟀疯~03|||93男生韩式微分碎盖!型男必备!

菲律宾世界小姐特雷西莫琳佩雷斯我的人生故事不全是金光闪闪