山宇sjr2软启动器

相关图片

高压固态软启动柜的工作原理

西普软启动器一拖二

常用的五种电机软启动工作原理及接线图

软启动器工作原理 电工操作证考试 软启动器工作原理 注意: 1.

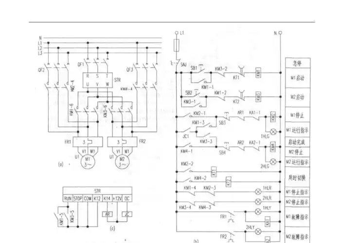
电机软启动控制原理图

随机推荐

红唇的她热烈似火,霸气里透着妩媚,是女王95@dear-迪丽热巴

王一博登时尚先生esquire·fine年度封面 西装眼镜诠释矜贵少年气

宋亚轩手写壁纸无水印来啦.#宋亚轩 #宋亚轩手写壁纸 #宋亚

刘涛白色套装优雅生活照写真_短发_长裤_同色系

《开往春天的地铁》:看了徐静蕾当时的颜值,难怪让王朔不能释怀

iphone壁纸桌面背景卡通简约蓝紫色渐变色纯色有质感

原创手绘姐弟头像背影可爱 结婚大事已交卷,生娃任务已完成,只要不

送葬曲曲谱_明日方舟送葬人图片