万科云汇中心一室一厅一厨一卫

相关图片

一室一厅一厨一卫

43㎡一室一厅一厨一卫

54㎡a户型一室一厅一厨一卫户型1室1厅1卫

依云香堤c户型,一室一厅一厨一卫

一室一厅一厨一卫的45平 建筑面积58平,套内45平的第一套小房子,还有

随机推荐

不管什么发型 都是最乖最厉害的宝宝#易烊千玺 #养成系 #易 - 抖音

十里桃林 万亩桃花!鄠邑·柳泉·东岭美爆了

高圆圆新代言的中广tvc曝光,堪比大片

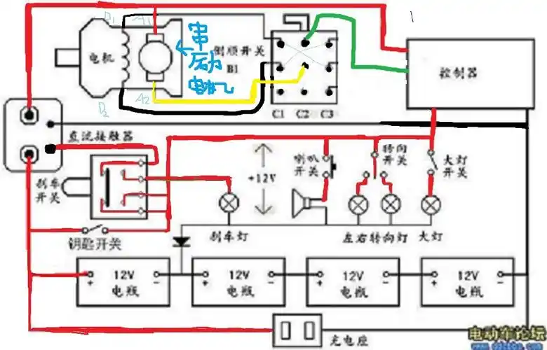
直流电三轮接线原理图

时代少年团壁纸

医生和护士写真

梦幻绮丽的硫磺湖旅拍

许巍蓝莲花吉他谱d调高清版