吴宇恒故乡别来无恙##故乡别来无恙

相关图片

吴宇恒说耙耳朵刻在川渝dna里##吴宇恒也在刷余华老师的潦草小狗

吴宇恒超话在线摇人!给各位公主组个看剧局#故乡别来无恙#再整个火锅?

尹乐的快乐搭子##吴宇恒故乡别来无恙##故乡别来无恙

绝绝子 吴宇恒真的是在决赛帅出新高度了

吴宇恒工作室周一抖落新花絮

随机推荐

两位小可爱在吗表情包 - 两位小可爱在吗微信表情包 - 两位小可爱在吗

全世界最好的朴灿烈.

华晨宇整容

张钧甯深v长裙出席活动氧气女神性感变身侧颜杀太撩人了

铃声壁纸鸭 | 抖音火跑马灯动态壁纸!

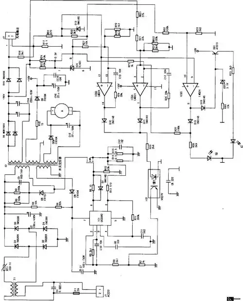
电动车充电器电路原理图

领结西装绅士头像

日本大势层次短发近年深受欢迎,比起常见的bob cut,这个发型能够打造