独一无二的情侣头像一左一右好看图片

相关图片

情侣卡通头像一左一右 高清好看有爱的卡通情侣头像图片

36组情侣头像一左一右配对好看高清图片

2022好看情侣头像一左一右动漫二次元优质的

沫兮 高清一对两张动漫情侣头像

36组情侣头像一左一右配对好看高清图片

随机推荐

陈道明:世人多媚骨,唯有君如故!

孙俪的官方身高是165cm,但是这身搭配却穿出了强大的气场,原因在于她

冯绍峰化身"超级好爸",陪儿子参加运动会,5岁想想稚气又霸气

田馥甄成都草莓音乐节完整版!《终身大事 奇妙能力歌 无用 my love》

男士秋冬发型参考:慵懒日系卷发一到冬天就要冲卷发,细软星人大爱卷毛

卡通人物简笔画 卡通人物简笔画可爱呆萌

黄维德向女友辩解是伊能静主动牵手图

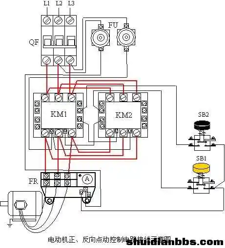
三相异步电机正反转接线法