关于三相交流电一些问题

相关图片

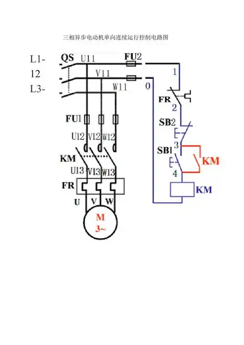
三相异步电机的基本控制电路

三相异步电动机全压启动控制 - 电路图分享 电工论坛

发电机三相桥式整流电路图.png

drv8301/8302三相无刷电机驱动全解

a710-三相异步电动机的正反转及顺序控制电路的设计-机械机电-龙图网

随机推荐

影视:黄渤经典之作《斗牛》混剪!

青椒肉丝 - 热菜类 - 菜品展示 - 马嘉楠清真餐饮

tnt时代少年团第三语录(金句)来了 好多人催,终于好了 未完待续.

麦迪传奇男鞋秋季透气小白鞋情侣鞋男增高潮流学生鞋 白银 5046 35

公判大会现场 分享到一键通微信新浪腾讯qq空间i贴吧 责任编辑:吴

景甜头条发了个九宫格,一组美图清新脱俗,网友说张继科眼光很毒_资源

楼梯简笔画图片楼梯简笔画图片教程楼梯简笔画示例图片楼梯的资料

大戏看北京栏目采访"人到四十"电视剧主要演员王志文,江珊,孙松,曾黎