超可爱动漫女生头像

相关图片

2020最火抖音手绘可爱女生萌头像,卡通头像图片-回车桌面

可爱q版头像女生超萌超火好看图片

2020可爱卡通萌萌哒小姐妹头像闺蜜呆萌卡通头像一人一张

情头| 可爱的卡通手绘情侣头像_名字_图片_网络

2020最新好看情头简笔画手绘可爱一对两张-卡通头像

随机推荐

阿尔金山 #无人区 #新疆 #穿越无人区 #越野

杨紫的前男友秦俊杰与毛晓慧牵手同回酒店,疑似新恋情曝光

情侣 #街拍 - 抖音

闺蜜出游的拍照pose参考

叼着烟的英国斗牛犬7515|狗狗头像

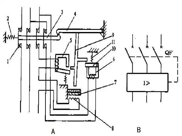
断路器脱扣装置工作原理示意图(图1)

疯狂越野赛车(900hp的沙漠越野车!

超搞笑,涨姿势!江苏13市方言大pk