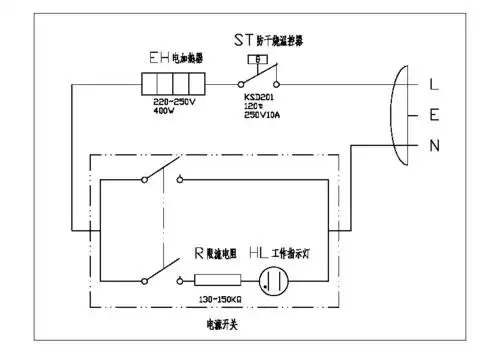
电火锅电路图

相关图片

电热锅典型故障维修一例

电火锅电路图01

千叶cp16恒温式多用电热锅电路图

金豪cbj128-b多用不粘电热锅电路图

希贵rdk90-a,rdk120-a多用自动不粘电热锅电路图

随机推荐

超可爱的猪猪简笔画|微信头像_卡通动漫头像_我要个性网

不爱浓妆艳抹的郑爽现街拍夏日清爽穿搭酷似学生妹

韩国酒窝形成手术有哪几种酒窝整形多少钱

真奇怪总觉得自己比游戏重要搞怪逗gif动图_动态图_表情包下载_soogif

简约风格立秋节气海报设计psd模板

天线宝宝动态表情包

盘点国内女明星的古装白衣造型—一袭白裙 清丽脱俗 倾国倾城

品牌商送来justin高清大图 帅气少爷魅力满分