罗丹巴尔扎克像

相关图片

《巴尔扎克》(balzac),奥古斯特·罗丹,1897年,青铜雕塑部分展厅圣

罗丹主要作品有:《青铜时代》《思想者》《雨果》《巴尔扎克》《地域

罗丹《巴尔扎克》尽管在开馆之初,国立西洋美术馆的收藏是以法国近代

罗丹 作品 《吻》及赏析

38 釐米巴尔扎克是世界著名的文学家,他的96部互有关联的長篇,中篇

随机推荐

300_452竖版 竖屏gif 动态图 动图

淘宝网

宋亚轩应援周边书包初高中小学生三六年级大容量男女定制双肩背包

云顶之弈一图看懂s5装备效果合成列表

围屋里的桃花:绿蚕被婆婆欺负,闻良一碗煮鸡蛋,温暖了她的心!

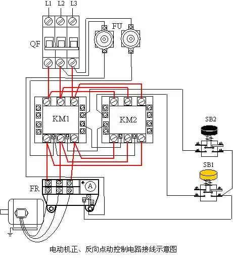
三相异步电动机点动控制电路的检查和试车 常规检查有 1,对照原理

女童内衣发育期小学生小女孩小背心内穿大童文胸儿童抹胸夏季薄款

可爱q版手绘头像全家福情侣卡通形象设计照片转漫画定制画像真人