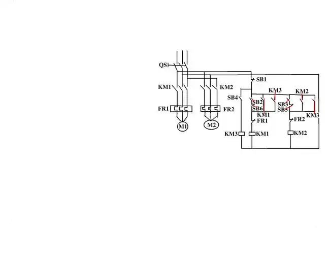
45张电工常用电动机控制电路图值得收藏

相关图片

求:电工电路图

电工最常见电动机控制接线电路图

2,零基础学电工-自锁控制(电路图,实物接线图,仿真图)

维修电工中级接线图

电工实训项目教程09-2三相异步电动机的正反转控制线路ppt

随机推荐

70岁成龙近照曝光!头发胡子全白了,老态龙钟模样大变,让人心酸

特能电动车电瓶车充电器48v12a20ah60v72v雅迪爱玛台铃三轮车通用电动

春晚守候陈伟霆

刘涛 饰 白素贞

吴宣仪亮相火箭少女101北京演唱会,穿白衣服搭配黑短裙面带微笑

证件照/个人形象照拍摄攻略_专业_服装_光线

[简谱] 一支榴莲 - 海底(附歌词,和弦)

朱海君曝「不知nono赚多少」不要钱只要陪一辈子 赞尪暖举「新车钥匙