电瓶车48伏电瓶怎么接线,电瓶车4个12伏电瓶怎么串联

相关图片

电车上用4块12v电瓶怎么串连成48v!该怎么串连,网上查不到急死我了?

电动车电瓶接法:串联电池组的正负极输出.

充电的时候是用48v的充电器,我的负载电源只需要24v,求一个接线图

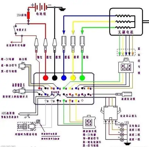
48v电动车控制器接线图电源锁控制器细供红线接电源,锁黄线接在什么土

四只电瓶怎么接线

随机推荐

五官精致的女明星,谁最好看?_网易订阅

马龙背头好帅#马龙t锦绣十一月刊封面人物,大背头帅出新高度!

长得不帅的任贤齐,凭什么演杨过,令狐冲,楚留香,金庸吐槽:店小二_公司

铝艺阳台护栏别墅露台栏杆平台扶手成都厂家

男生酷拽屌炸天头像高清好看男生狂拽酷炫吊炸天的头像图片

我要分享 王嘉最新白裙写真曝光气质优雅唯美宛如童话日前,演员王嘉

新洛神李依晓

刘亦菲和安妮海瑟薇两大神颜梦幻同框,引发全网热议.