变极多速三相异步电动机接线图

相关图片

三相异步电机的基本控制电路

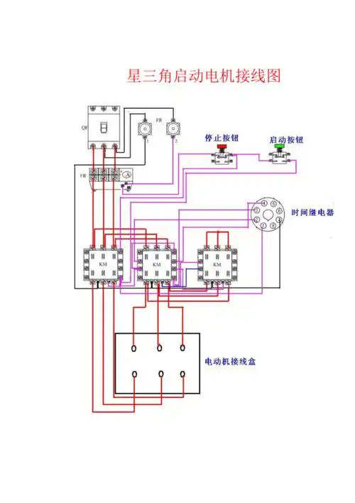
星三角启动电机接线图

一台三相电机,两地都能控制其开停,一地操作后,另一地有状态指示(灯亮

电工实训项目教程09-2三相异步电动机的正反转控制线路ppt

三相异步电机正反转接线法

随机推荐

型号颜色立即订购加入进货单买家服务支付方式产品名称:100w充电器

心中第一女alpha,人间扳手分分钟被掰弯,梁洛施姐姐我可以!

亲爱的字体设计|平面|字体/字形|可能是磊磊 - 原创作品 - 站酷

为什么说保安岗亭是城市发展的便利店呢

抖音最火女生头像真人可爱大全谈恋爱不如搞钱

《和平饭店》中的陈数穿上旗袍,饰演高智商女特工,美艳又神秘!

我曾经最爱的一部法国电影,叫《碧海蓝天》,出自吕克贝松,讲述了一个

5r外层是牛奶味雪糕,里面包裹着红豆泥和整颗的红豆粒,吃起来口感丰富