宋画工笔白描,适合临摹的学习素材

相关图片

白描花卉.#纯手绘 #工笔画 #画画使我快乐 - 抖音

画画 #工笔画 #工笔花鸟画 #白描练习 #花卉白描 #标记我的生活

工笔白描花卉怎么画这些素材不看亏大了

高清工笔画白描线稿图集,之仙鹤篇!

白描 #工笔 #花鸟画 #国画花鸟 #记录生活

随机推荐

【时代少年团】合体直播官宣,集卡还可以得到更多惊喜福利,真的太期待

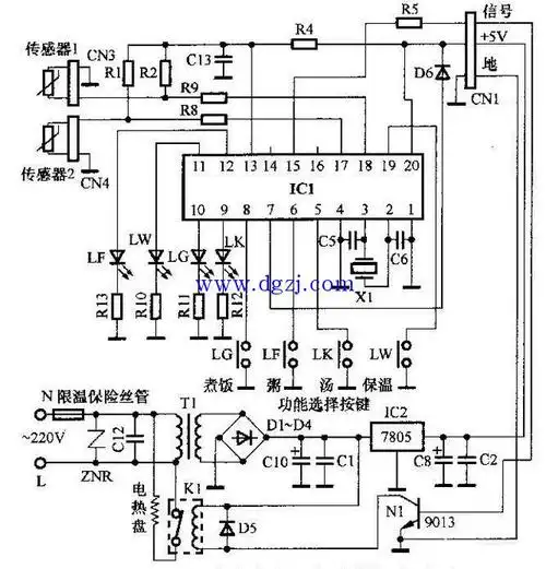
智能电饭煲电路原理图及故障检修方法

香港四十岁以上的电视剧男演员名字大全

博君一肖

姚贝娜癌症好了吗

直升飞机简笔画标签:交通工具简笔画飞机简笔画

喜丧!姜子牙扮演者蓝天野因病离世,享年95岁,生前最后采访曝光

tnt:马嘉祺三格壁纸:你为什么喜欢马嘉祺 因为他是马嘉祺