除了小黄人,最可爱的还是这三个小姑娘,尤其是老三艾格尼丝 - 娱乐

相关图片

【小黄人】格鲁去向量城堡偷缩小武器,结果被炸飞了,最后格鲁收养了

《神偷奶爸》中的可爱小黄人卡通简笔画教程视频神偷奶爸小女孩简笔画

卑鄙的我你喜欢小黄人或是格鲁还是独角兽呢

【小黄人】神偷奶爸~三个小女孩的睡前故事,德鲁的kiss的改变_哔哩

没看到这些彩蛋,小黄人相当于白看

随机推荐

嘟嘟嘴 小眼神 可爱漂亮 有活力

曝林依晨分手净身出户,个中原因太难堪,豪门老公屡次不忠被捉住_时候

唯美古装美女仙气写真高清桌面壁纸

王者荣耀后羿辉光之辰腹肌无遮挡高清图

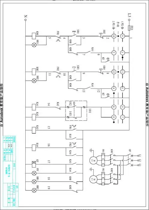
热水循环泵一用一备电路图

一招搞定红蜘蛛,持效期可达3个月,初夏防治正当时

刘德华如今刘德华已经61岁了,但是他还没有退休,仍然在在舞台上发光

冰丝睡裙女蕾丝真丝睡衣夏丝绸性感吊带裙薄大码家居服