粤剧大师红线女突然病逝去年五月在港最后露面

相关图片

师小红

东北往事小北京对三姐糊涂了8年的单恋最终还是狠心拒绝他

资料图片:师小红最新写真(8)

原名小红,江苏省常熟县人.自幼被父母遗弃,卖到上海.

师小红:为了妻子当丁克,为照顾岳父岳母退圈,50岁终于老来得子

随机推荐

《沉默的证人》即将上映,主演任贤齐,杨紫献唱主题曲,你期待吗

jpg颜色:rgb100共享分举报收藏立即下载关 键 词:雪景 梅花傲雪 梅花

家人们快听我说7515小房间这么布置真香75.

12星座谁是学霸校花_十二星座谁是学霸 校花-技术风潮网络

原创邓伦艺考时住80块钱一晚的地下室普通家庭出身经济条件并不好

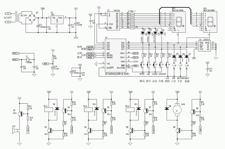
图文油炸锅控制电路

近期,黄俊捷因长线发展需求而备受争议.

杨恭如波折的情路靠美貌征服了5个男人两度介入引恶名缠身