刘昊然|今日活动造型,蓝白相间衬衫搭配白tee,露出两颗小虎牙,阳光

相关图片

刘昊然一身白装亮相 灿笑露小虎牙可爱又帅气

可爱又帅气的刘昊然虎牙一出可爱爆棚无人可挡的魅力弟弟

刘昊然会在你微笑时展现小虎牙真可爱,这是一个充满着青春呼吸的微笑

刘昊然的虎牙太了!

刘昊然的小虎牙,逼出了正畸#医生#的职业病娱乐圈的少年脸并不少

随机推荐

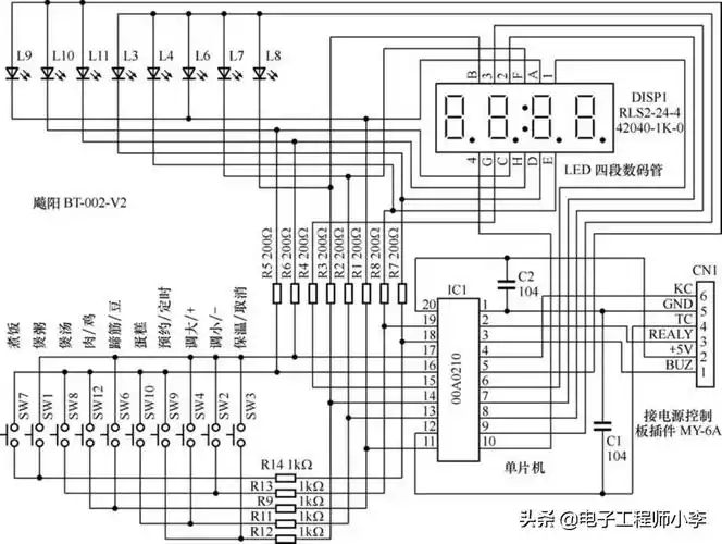
苏泊尔电压力锅使用说明书图解附苏泊尔电压力锅电路图及使用

林心如年轻时太美了

c罗小贝领衔足坛明星不雅动作大盘点

眼瞅着范冰冰落难后,昔日的好友李冰冰,为什么却不帮她一把?_腾讯新闻

刘亦菲冯绍峰出席颁奖典礼,刘亦菲美得一塌糊涂,两人看上去非常的养眼

实验室 生物安全实验室检测-全国认可-化工仪器网

林野弦子

季肖冰