48v电动车控制器电路图

相关图片

48v电动车控制器电路图

48v电动车充电器电路图

电动车电瓶怎么接线正负极那个接电机?_360问答

48v电动车真实接线实物图按接线图所示连接各根导线

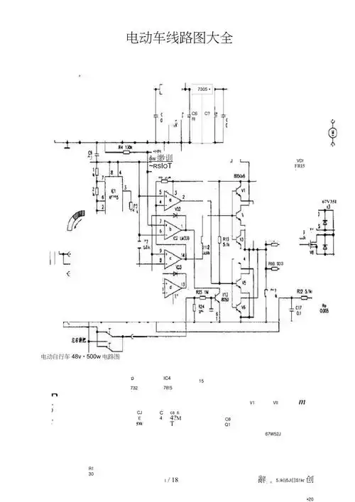
电动车线路图大全

随机推荐

赵丽颖的脱胎换骨,能够突破自我,她将如何征服白玉兰奖台?

个性风格时尚杂志封面素材psd格式可编辑

袁冰妍街拍:香芋紫露脐针织开衫 lady dior手袋清新淑女

假发真发全真人发2021年时尚新款短发女减龄自然全头套波波头发型

在2021年选择灵动蓬松的直发内扣波波头发型,中短直发发尾天然的内扣

erilles兰陵王dvd电视剧碟片光盘 冯绍峰 林依晨 陈晓东 古装剧2碟

炸死你这傻逼炸弹罗罗布金馆长gif动图_动态图_表情包下载_soogif

【原神】荧壁纸精选(一) 【原神】荧壁纸精选(一)