sendon ups-1000后备式方波输出ups电源的辅助电源及充电控制电路

相关图片

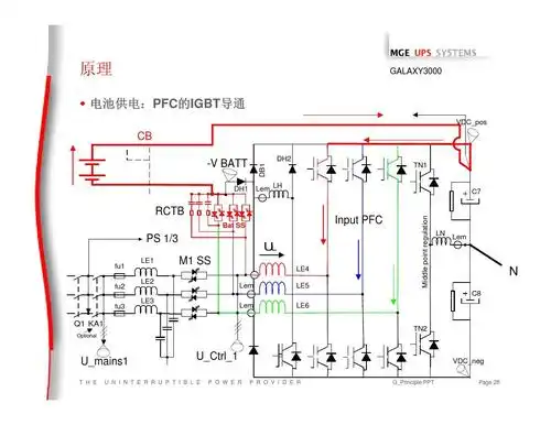
ups不间断电源原理

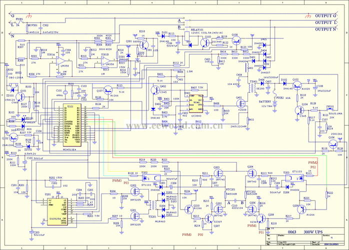
ups线路图 --电子电路图--电子工程世界

ups原理

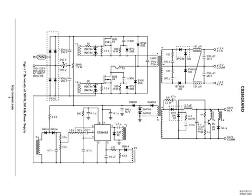
ups500w的电路图

富电710型ups电源电路图

随机推荐

gucci古驰男士帆布配皮互扣式双g双肩包背包中号69601397s9g

回眸一笑天下倾#肖战 - 抖音

群英荟萃――鸿福美味风采(7月14日洛川菜品交流会将在鸿福大酒店二楼

盘点er家这些钻石吊坠的寓意

42岁"无人敢娶"的宋佳,如今收获人生巨变!

吴磊深v黑西装

《流星花园》中的小优一角色受到了很多人的关注,杨丞琳也是从那时候

探路者沙滩夏季户外男女休闲运动涉水赤脚包头凉鞋沙滩鞋