电动车电瓶电池48v20ah电池盒装两个电池分体式电池连接的电路图

相关图片

两个电瓶怎么串联24v,两个电瓶24v怎么充电连接方法图3

电动三轮车电瓶8块怎么组装 8块电瓶,以四只12v20ah串联为一组,共两组

2kva 72vups电源蓄电池安装图示

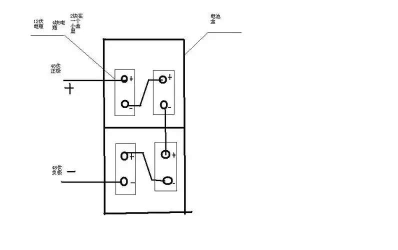
我的是电动车电瓶,四个小电瓶,俩个装一个盒子里,中间用一根线连接

冬季用车常见问题:汽车加装车载暖风机会不会损伤蓄电池?

随机推荐

蔡依林《七上八下》全新造型

曝吕一钱泳辰已离婚,两人一年未同框,男方出事女方回老家 钱泳辰的

于是网友们纷纷学着秀起了恩爱:警察叔叔我要举报这人单手开车!

《绝密使命》热播 张钧译演技获好评_电视资讯_新闻 - 66影视

庄园面积户型配套>北京庄园是全国唯一的一个满配精装交付的别墅项目

电脑ipad壁纸我的梦想就是永远当个小孩子

《县委大院》女主万茜深得剧星品质号召力,红毯造型惊艳_魅力_盛典

杨娜的时钟真人秀 杨娜照片