2023最火男生头像古风高清图片

相关图片

仙气女生头像 #古风头像 #漫画女孩 #可甜可酷可温柔 # - 抖音

古风头像 #情侣头像 #情头@dou 小助手 宿昔梦见之 - 抖音

头像女卡通动漫手绘 古装古风美女 高清头像 头像收集社 自动发货

古风闺蜜头像|矜丝婉带愿与你共簪

动漫古风头像你是我翘首以盼的惊喜更是我梦寐以求的未来

随机推荐

耳朵趣闻:有穷人耳和富人耳吗?有没有什么依据呢?

清新唯美自然花卉,高清图片,电脑桌面-壁纸族

头像| 简单干净的微信头像_小狗_线条_maltese

十二星座少女

暗色系低调高冷孤独感男生头像

原创景甜生命中的2个男人一个对她好到离奇一个残忍将她分手

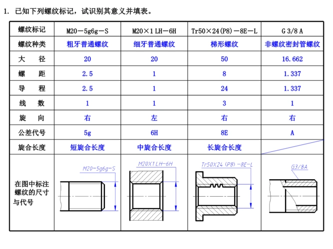
中所示m20粗牙普通外螺纹的错处圈出,将正确的画在下面(包括尺寸标注)

黄明昊长发狼尾