这样输入电流不是太大了,会不会继电器线圈烧坏,但实际电路就是这样

相关图片

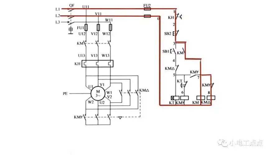
时间继电器控制的星三角降压启动电路原理图

中间继电器时,应注意线圈的电流类型和电压水平应与控制电路相匹配

5v继电器控制模块学习资料

继电器的作用和功能 (继电器原理 )

如图是电磁继电器的结构示意图,其工作电路由低压控制电路和高压工作

随机推荐

漫画画法 日式漫画 漫画技法 漫画速成 ps绘画教程 动漫人物绘画技

简约文艺静物图片桌面壁纸

三宫格真人丧系带字壁纸

09s304:卫生设备安装

官宣了7月15日将具备vivo s10系列的发布会,本次s10依旧由刘昊然代言

玫瑰少年-蔡依林 小提琴谱 五线谱2页 送伴奏音频

陈意涵超话#陈意涵晒劈叉照#今天,陈意涵晒出一组运动照.

开创性40米零排放三体帆船概念domus号