【不间断电源】ups电源怎么使用

相关图片

ups备用电源的电池问题!

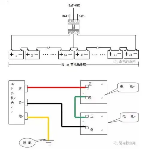
ups电源电池接线示意图 !

ups电源ups电池安装维护ups维修保养不间断电源价格

h6k-10k电力专用ups电源接线图.png

ups不间断电源有以下四种不同的工作方式:正常运行方式

随机推荐

可以识别同一个人的不同年龄阶段的人脸图片来帮助定位和寻找失踪人

男生证件照p图02最最齐全西装模板yyds

肖战表情包

杨紫- 堆糖,美图壁纸兴趣社区

度假村2003年,经巢湖市委,市政府批准,决定成立巢湖市汤池温泉旅游

剪映素材库在哪?剪映素材库介绍

动漫一念永恒 ,小纯美照 - 抖音

人物图片专题