摘要: pt螺纹,也称为圆锥管螺纹,是一种用于连接和密封的螺纹.

相关图片

美国标准的60度锥管螺纹_第1页

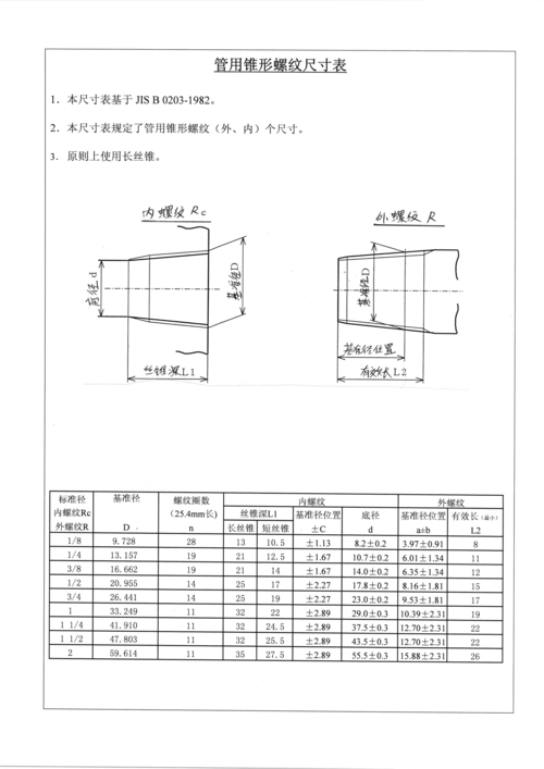
管用锥螺纹尺寸列表

什么是圆锥管螺纹,圆锥管螺纹与pt螺纹的关系

圆锥管螺纹牙型为什么是三角形?

55圆锥管螺纹形式

随机推荐

女生头像古风头像古风女头

一键换装.免费制作.点击左下角小程 - 抖音

刘恺威梳侧分头发际线瞩目 全黑look低调帅气获迷妹送饮料

唐艺昕产后复出营业身材曼妙气色好生娃后想瘦身牢记五要点

李一桐之聂倾城,由墨白千九的同名小说改编的电视剧《半妖倾城》里的

这款发型头顶的头发大约要有4厘米左右的样子

娱乐圈里身高180以上的男明星有哪些这些人你们认识吗

转生史莱姆字幕组的重要性两个版本一比较b站就少了许多乐趣