继电器常用自锁电路图.doc

相关图片

电机自锁接线图 - 电路图分享_电工学习网

电气控制中的自锁

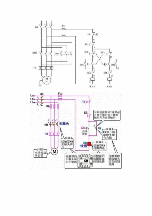
1,自锁控制的继电控制电路图

电动机自锁控制电路图(三相异步/自锁正转控制电路图)

继电器常用自锁电路图.doc

随机推荐

被刘恺威帅到身穿黄色西服高级又霸气这次终于可以散发光芒了

刘昊然

手写分享肖战语录

第1款:短飞机头发型

闫妮##电影学爸# 借你一束光,闪耀那些需要照亮的前方[心][心][心]

oled双面广告机适用于那些地方

告白之后再给一刀,白真真,不愧是你-度小视

战魂苏荣昌扮演者刘波当汉奸中王连长与忠孝计