线电压一个是相电压,工厂的设备功率大,一般要架设"四平线"(三相四线)

相关图片

如图所示三角形联接对称三相电路中,已知电源线电压ul=380v.

三相交流电,相位相差120℃,线电压380,为什么相电压是220呢?

三相对称电源作星形连接时,线电压与相电压关系 如图一所示,线电压是

三相电电压

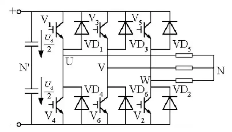
电压型三相逆变电路 - 电源 - 全国大学生电子设计竞赛培训网

随机推荐

1/6搜狐娱乐讯 (视觉中国/图文)8月10日,热依扎现身机场.

雷达新能源电动三轮车

drink it all表情包 - 表情图

柯震东小时代高清大图.求!

苹果的剖面简笔画苹果简笔画教程切开的苹果简笔画怎么画苹果简笔画

pvz2我是僵尸:淘金僵尸的魔幻登场,开局秒送人头!

可爱清新女生头像正脸平平淡淡回首已陌路

情侣穿搭180和163的六套日常分享07