刚买了个电动车,四块电瓶,不会充电啊,那些线要怎么接啊

相关图片

电动车电瓶怎么接线正负极那个接电机?_360问答

电动车电瓶电池48v20ah电池盒装两个电池分体式电池连接的电路图

二轮电动车行驶100公里

电瓶车电瓶串联法(电动车电瓶串联并联如何连接教程)

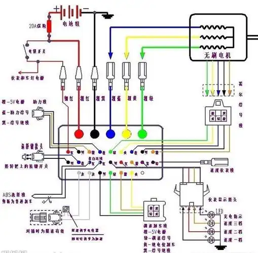
电动车接线大全

随机推荐

angelababy奔跑吧校服剧照##奔跑吧

纹身贴霸气割线貂蝉半臂花臂防水持久般若社会仿真刺青个性逼真in

无意中看到戚薇早年的照片和现在对比一下变化真是大啊

四叶草不同地方的含义1,在爱尔兰民间 , 四叶的车轴草能带来好运

男士发型图片及名称,2020最具人气男发前4名,短寸头(最有型男士发型15

230703官方更新 exo cream soda预告照-全体 【exo the 7th album

潘虹樾

6寸 李斯丹妮 亲笔签名照片 9 号