洛可可的艺术风格在18世纪的法国体现得淋漓尽致,无论是珠宝,服饰

相关图片

西方皇室宫廷服装4687

找到了法国皇室婚纱75oscardelarenta

出租都铎王朝西欧贵族服装 租赁王子公主贵妇礼服 英国皇室宫廷女装

路易十四时代灿烂辉煌的缩影:法国王室卫队阔头枪

不过,庞大的时尚消费,也使得法国皇室在三代人之后负债累累,被农民

随机推荐

赵丽颖9套古装红衣,《知否》优雅,《花千骨》邪媚霸气

又是情头,还有一个闺蜜头

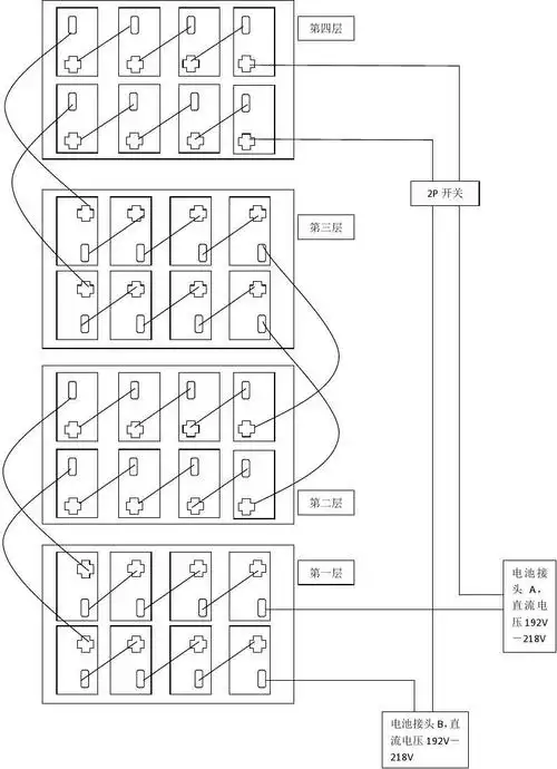
ups_a32电池箱内电池连接示意图_2组独立

上传个人照片3,选择参军年代2,找到穿上军装链接点击进入1,下载软件

黄金叶中支16尽早版

男生162左右,女生155左右.穿什么样的情侣装好看?

国画工笔画四尺斗方工笔花鸟

王婷委员:用好"奥运冠军之城"金名片