写美篇庐山西海风景名胜区(原名:云居山―柘林湖风景名胜区),位于江西

相关图片

这里是江西九江庐山西海

江西庐山西海景区面积是杭州西湖的544倍美似马尔代夫

这里是江西九江庐山西海

航拍 江西九江 旅行推荐官 旅行大玩家 带你看风景 抖音旅游 庐山西海

庐山西海风光秀,云淡天高修河流. 2020年9月

随机推荐

情侣vlog #秀恩爱 #浪漫情侣写真 总有一束光是为你 - 抖音

谁能逃过黄景瑜.#黄景瑜黄景瑜黄景瑜 #感觉至上 #黄景瑜视 - 抖音

使命蓝玉琴,蓝玉琴扮演者,蓝玉琴谁演的-奇热777电影网

《爸爸当家3》总导演兰迪:不同职业爸爸回家"带娃",带来新思考_腾讯

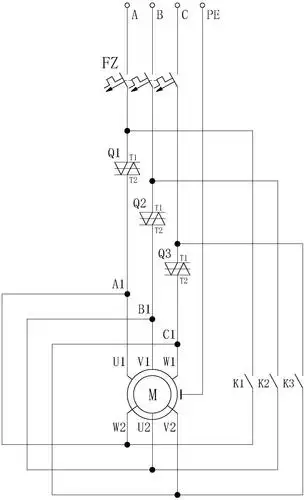
一种三相交流电机的启动电路

水稻脱粒机打谷机打稻机稻谷脱粒机大多功能脱粒机玉米脱粒机黄豆大豆

医药健康>处方药>真菌感染>光辉>光辉复方酮康唑软膏7g/盒用于体癣手

哈哈大笑的聊天动态表情图