不结婚就是不孝顺孔令辉45岁仍旧单身父母却没逼过他结婚

相关图片

身为国家男乒少帅刘国梁做媒人倒是很在行,他不仅撮合过孔令辉与马苏

35年后,再看孔令辉刘国梁:才知道这对"双子星",到底有多传奇

确实有缘分孔令辉跟刘诗雯之间可以化干戈为玉帛

"娱乐圈第一莽夫"马苏跌宕起伏的人生_孔令辉_电视剧_时候

李晓霞当年在巅峰期无奈退役!当事人孔令辉,丁宁现在过得不好

随机推荐

韩东君早几年干嘛去了##韩东君身上的霸总气质

赵露思绝美古装图片.

千金女贼 刘恺威 唐嫣

重庆地图|重庆市地图|重庆地图全图高清版查询_地图网

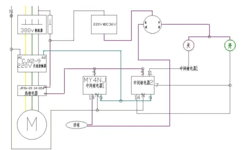
用中间继电器与浮球开关控制自动排污泵接线图

一组《名侦探柯南》图片集,每一张都值得收藏

#林忆莲开启不完全自救手册##林忆莲是你治愈了我的孤单#

大脚骨手术要截骨可以不用截骨吗听着吓人