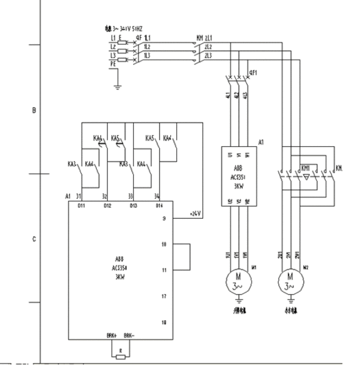
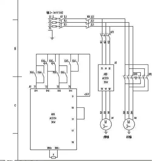
要 接触器上的连线图.

相关图片

小吊机好用!用的频率高了,就会出小问题,今天总算搞清楚接线原 - 抖音

成品接线图

小型起重机起升使用变频器

小型起重机起升使用变频器小型起重机起升使用变频器

吊车用升降电机有六根接线,其中三根通过接触器接三相

随机推荐

治愈系笑容头像女生真人 女生头像图片大全 -【爱个性】

杨颖黑色西服套装着身化身高冷御姐展迷人小蛮腰户外写真

50岁李亚鹏穿古装晒近照头发稀疏显老态独自吃面无人陪伴

穿着公主裙的小女孩简笔画

求尸鬼桐敷沙子的一张图

传说对决萝儿星传说昭雪

细熙古代汉服平民百姓乞丐服演出服老爷爷贫苦农民表演服装补丁装破洞

鼻子上的这种黑头(粉刺)的治疗