经典法式发型 慵懒浪漫编发 麻花辫盘发

相关图片

78法式少女感编发

发型不重样温柔法式,超甜嗲妹编发教 - 抖音

日系慵懒编发 优雅知性巨气质_编发发型 - 美发站

夏季清爽日系编发 塑造高级感和仙气_长发发型 - 美发站

法式浪漫编发最新新娘试妆照

随机推荐

相关照片:稍晚,昆凌在ins晒与"霉霉"爸爸合照,还透露跟他们解释了一些

二十年结婚纪念日心语

文艺小清新简约壁纸初夏清新壁纸

【耳穴疗法】耳穴诊断图解及主治功能归类(收藏)

95米,当初王宁坚决反对|董浩|央视|齐秦|刘纯燕|春晚主持人阵容_网易

超温柔的神仙头像女 高清好看的真人头像仙气干净可爱图片_女生头像

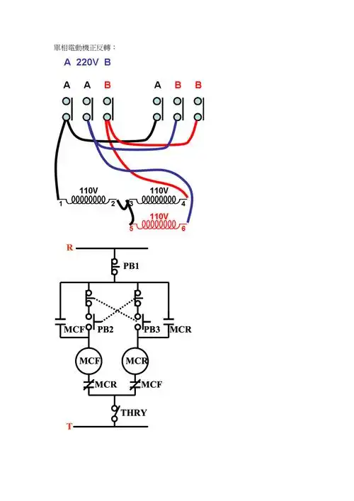
力大电机补习班自控讲义之一y接线图

贞子头像